Open Access
图 7
Download original image
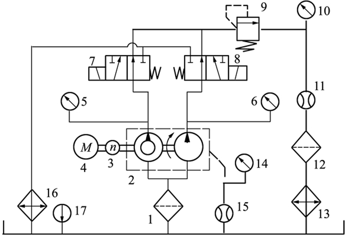
1, 12-过滤器 2-液压泵 3-转速计 4-电机 5, 6, 10, 14-压力表 7, 8-二位三通换向阀 9-溢流阀 11, 15-流量计 13, 16-冷却器 17-温度计
Current usage metrics show cumulative count of Article Views (full-text article views including HTML views, PDF and ePub downloads, according to the available data) and Abstracts Views on Vision4Press platform.
Data correspond to usage on the plateform after 2015. The current usage metrics is available 48-96 hours after online publication and is updated daily on week days.
Initial download of the metrics may take a while.
